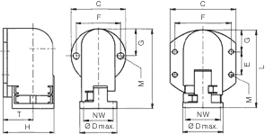
PMAFIX VOD: Anschlussarmaturen 90° Winkel mit Flansch
Diese PMAFIX Verschraubungstypen eignen sich in einem breiten Anwendungsgebiet in Verbindung mit
PMAFLEX Wellrohren und ermöglichen höchste Sicherheits- und Dichtheitswerte.
Features:
- IP66: Armatur mit vormontierten Universal-Sicherheitssperren (AFN2), Flansch-Dichtung (OR)
- IP68: Armatur mit Oval-Sperren (OVN2), Rohr- und Flanschdichtung (NVN3, OR)