Serie 350 Classic

Auslaufmodell
350.050.075.0 product image
igus-icon-lupe
350.050.075.0 technical drawing
igus-icon-lupe
1 von 2
350.050.075.0 product image
350.050.075.0 technical drawing
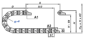
Innenhöhe [Hi]
Innenhöhe [Hi]
45 mm
Leitungsdurchmesser (max.)
Leitungsdurchmesser (max.)
42 mm
Öffnungsprinzip
Öffnungsprinzip
Im Außenradius befüllbar
Innenbreite [Bi]
Innenbreite [Bi]
50 mm
Biegeradius [R]
Biegeradius [R]
75 mm

Beratung

Gerne beantworte ich Ihre Fragen auch persönlich

Dieter Bencer
Dieter Bencer

igus-icon-phone+43 7662 57763

Beratung und Lieferung

Persönlich:
Montag – Freitag: 7 – 20 Uhr
Samstag: 8 – 12 Uhr
Online:
Chat-Service
Montag – Freitag: 8 – 20 Uhr
Samstag: 8 – 12 Uhr
Was können wir für Sie verbessern? Geben Sie uns Ihr Feedback.

Über igus®

Services

Kontakt

Unsere Bezahlarten

  • Kauf auf Rechnung

    Folge uns

    • Instagram

    Bleiben Sie auf dem Laufenden und melden Sie sich hier für den igus® Newsletter an.

    igus-icon-globeSprache:Deutsch|Land:Österreich

    The terms "Apiro", "AutoChain", "CFRIP", "chainflex", "chainge", "chains for cranes", "ConProtect", "cradle-chain", "CTD", "drygear", "drylin", "dryspin", "dry-tech", "dryway", "easy chain", "e-chain", "e-chain systems", "e-ketten", "e-kettensysteme", "e-loop", "energy chain", "energy chain systems", "enjoyneering", "e-skin", "e-spool", "fixflex", "flizz", "i.Cee", "ibow", "igear", "iglidur", "igubal", "igumid", "igus", "igus improves what moves", "igus:bike", "igusGO", "igutex", "iguverse", "iguversum", "kineKIT", "kopla", "manus", "motion plastics", "motion polymers", "motionary", "plastics for longer life", "print2mold", "Rawbot", "RBTX", "RCYL", "readycable", "readychain", "ReBeL", "ReCyycle", "reguse", "robolink", "Rohbot", "savfe", "speedigus", "superwise", "take the dryway", "tribofilament", "tribotape", "triflex", "twisterchain", "when it moves, igus improves", "xirodur", "xiros" and "yes" are legally protected trademarks of the igus® SE & Co. KG/ Cologne in the Federal Republic of Germany and where applicable in some foreign countries. This is a non-exhaustive list of trademarks (e.g. pending trademark applications or registered trademarks) of igus SE & Co. KG or affiliated companies of igus in Germany, the European Union, the USA and/or other countries or jurisdictions.

    igus® SE & Co. KG points out that it does not sell any products of the companies Allen Bradley, B&R, Baumüller, Beckhoff, Lahr, Control Techniques, Danaher Motion, ELAU, FAGOR, FANUC, Festo, Heidenhain, Jetter, Lenze, LinMot, LTi DRiVES, Mitsubishi, NUM,Parker, Bosch Rexroth, SEW, Siemens, Stöber and all other drive manufacturers mention on this website. The products offered by igus® are those of igus® SE & Co. KG