Change Language :
Das flache Kabelführungssystem e-skin flat besteht aus einzelnen miteinander verbindbaren Leitungskammern. Eine oder mehrere Leitungen können in diese Kammern eingelegt werden.
Es gibt 3 Varianten:

| Anzahl Pods SKF12O.1.1.10 | Anschlusselemente Breite [mm] | Anzahl Pods SKF12C.1.1.10 | Anschlusselemente Breite [mm] | Anzahl Pods SKF15C.1.1.10 | Anschlusselemente Breite [mm] |
|---|---|---|---|---|---|
| 2 | 68,5 | 0 | 68,5 | 2 | 68,5 |
| 0 | 62,5 | 2 | 62,5 | 3 | 93 |
| 1 | 87 | 2 | 87 | 4 | 117,5 |
| 2 | 111,5 | 2 | 111,5 | 5 | 166,5 |
| 3 | 136 | 2 | 136 | 6 | 166,5 |
| 4 | 160,5 | 2 | 160,5 | ||
| 3 | 93 | 0 | 93 | ||
| 4 | 117,5 | 0 | 117,5 | ||
| 5 | 142 | 0 | 142 | ||
| 6 | 166,5 | 0 | 166,5 | ||
| 0 | 84 | 3 | 84 | ||
| 0 | 105,5 | 4 | 105,5 | ||
| 0 | 127 | 5 | 127 | ||
| 0 | 148,5 | 6 | 148,5 |
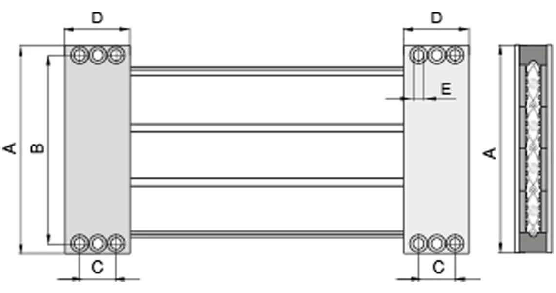
th>G [mm]
| Art. Nr. Komplettsatz | A [mm] | B [mm] | C [mm] | D [mm] | E [mm] | F [mm] | G [mm] |
|---|---|---|---|---|---|---|---|
| SKFC.MR.0625 | 62,5 | 53 | 18,75 | 37,5 | 4,5 | 9 | 7 |
| SKFC.MR.0685 | 68,5 | 59 | 18,75 | 37,5 | 4,5 | 9 | 7 |
| SKFC.MR.0840 | 84 | 74,5 | 18,75 | 37,5 | 4,5 | 9 | 7 |
| SKFC.MR.0870 | 87 | 77,5 | 18,75 | 37,5 | 4,5 | 9 | 7 |
| SKFC.MR.0930 | 93 | 83,5 | 18,75 | 37,5 | 4,5 | 9 | 7 |
| SKFC.MR.1055 | 105,5 | 96 | 18,75 | 37,5 | 4,5 | 9 | 7 |
| SKFC.MR.1115 | 111,5 | 102 | 18,75 | 37,5 | 4,5 | 9 | 7 |
| SKFC.MR.1175 | 117,5 | 108 | 18,75 | 37,5 | 4,5 | 9 | 7 |
| SKFC.MR.1270 | 127 | 117,5 | 18,75 | 37,5 | 4,5 | 9 | 7 |
| SKFC.MR.1360 | 136 | 126,5 | 18,75 | 37,5 | 4,5 | 9 | 7 |
| SKFC.MR.1420 | 142 | 132,5 | 18,75 | 37,5 | 4,5 | 9 | 7 |
| SKFC.MR.1485 | 148,5 | 139 | 18,75 | 37,5 | 4,5 | 9 | 7 |
| SKFC.MR.1605 | 160,5 | 151 | 18,75 | 37,5 | 4,5 | 9 | 7 |
| SKFC.MR.1665 | 166,5 | 157 | 18,75 | 37,5 | 4,5 | 9 | 7 |

Persönlich:
Montag – Freitag: 8 – 20 Uhr
Samstag: 8 – 12 Uhr
Online:
Chat-Service:
Montag – Freitag: 8 –18 Uhr
Samstag: 8 – 12 Uhr
Beratung via Microsoft Teams:
zum Buchungsportal