 
        kompakte Bauform
schmierfreier Betrieb auf Basis der drylin® N Miniaturführung
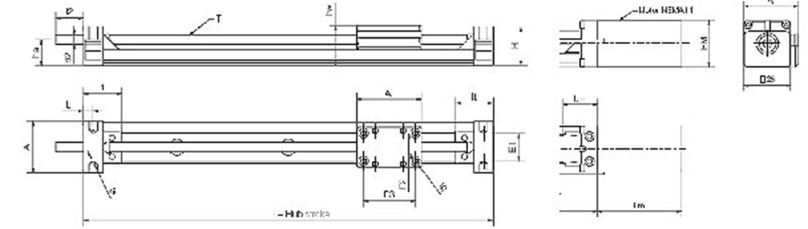
einbaufertige und getestete Miniatur-Linearachse mit Motor
Kugellagerung für einen optimierter, spielarmer, dynamischer Lauf
In 3 Spindelsteigungen verfügbar: M5-Gewinde (5x0,8 mm), Steilgewinde 5x5 und 6x12,7
 
         
                | Bestellnummer | Hublänge | Gewicht | zusätzl. (pro 100 mm) | max. stat. Tragfähigkeit | max. Drehzahl | max. Antriebsmoment | |||
|---|---|---|---|---|---|---|---|---|---|
| [g] | [g] | axial[N] | radial[N] | [U/min] | [Nm] | ||||
| SLN-27-14-0050-100-11-L-S-000 | 100 | 60 | 40 | 10 | 40 | 300 | 0,1 | Auf Anfrage | |
| SLN-27-14-0050-150-11-L-S-000 | 150 | 60 | 40 | 10 | 40 | 300 | 0,1 | Auf Anfrage | |
| SLN-27-14-0050-200-11-L-S-000 | 200 | 60 | 40 | 10 | 40 | 300 | 0,1 | Auf Anfrage | |
| SLN-27-14-0050-250-11-L-S-000 | 200 | 60 | 40 | 10 | 40 | 300 | 0,1 | Auf Anfrage | |
| SLN-27-15-0050-100-11-L-S-000 | 100 | 60 | 40 | 10 | 40 | 300 | 0,1 | Auf Anfrage | |
| SLN-27-15-0050-150-11-L-S-000 | 150 | 60 | 40 | 10 | 40 | 300 | 0,1 | Auf Anfrage | |
| SLN-27-15-0050-200-11-L-S-000 | 200 | 60 | 40 | 10 | 40 | 300 | 0,1 | Auf Anfrage | |
| SLN-27-15-0050-250-11-L-S-000 | 250 | 60 | 40 | 10 | 40 | 300 | 0,1 | Auf Anfrage | |
| Bestellnummer | A | Al | H | E1 | E2 | E3 | l | hw | lt | lb | ts | tg | T | d2 | l2 | ha | ||
|---|---|---|---|---|---|---|---|---|---|---|---|---|---|---|---|---|---|---|
| ±0,2 | -0,1 | ±0,2 | ±0,15 | ±0,15 | ±0,15 | ±0,2 | ±0,2 | |||||||||||
| SLN-27-14-0050-100-11-L-S-000 | 28 | 35 | 21,5 | 20,5 | 15 | 28 | 76 | 22 | 20,2 | 5 | 3,5 | M3 | 5x5 | M5 | 15 | 14 | Auf Anfrage | |
| SLN-27-14-0050-150-11-L-S-000 | 28 | 35 | 21,5 | 20,5 | 15 | 28 | 76 | 22 | 20,2 | 5 | 3,5 | M3 | 5x5 | M5 | 15 | 14 | Auf Anfrage | |
| SLN-27-14-0050-200-11-L-S-000 | 28 | 35 | 21,5 | 20,5 | 15 | 28 | 76 | 22 | 20,2 | 5 | 3,5 | M3 | 5x5 | M5 | 15 | 14 | Auf Anfrage | |
| SLN-27-14-0050-250-11-L-S-000 | 28 | 35 | 21,5 | 20,5 | 15 | 28 | 76 | 22 | 20,2 | 5 | 3,5 | M3 | 5x5 | M5 | 15 | 14 | Auf Anfrage | |
| SLN-27-15-0050-100-11-L-S-000 | 28 | 35 | 21,5 | 20,5 | 15 | 28 | 76 | 22 | 20,2 | 5 | 3,5 | M3 | 5x5 | M5 | 15 | 14 | Auf Anfrage | |
| SLN-27-15-0050-150-11-L-S-000 | 28 | 35 | 21,5 | 20,5 | 15 | 28 | 76 | 22 | 20,2 | 5 | 3,5 | M3 | 5x5 | M5 | 15 | 14 | Auf Anfrage | |
| SLN-27-15-0050-200-11-L-S-000 | 28 | 35 | 21,5 | 20,5 | 15 | 28 | 76 | 22 | 20,2 | 5 | 3,5 | M3 | 5x5 | M5 | 15 | 14 | Auf Anfrage | |
| SLN-27-15-0050-250-11-L-S-000 | 28 | 35 | 21,5 | 20,5 | 15 | 28 | 76 | 22 | 20,2 | 5 | 3,5 | M3 | 5x5 | M5 | 15 | 14 | Auf Anfrage | 
| Bestellnummer | ltm | HM | Ai | li | l | Lm | ||
|---|---|---|---|---|---|---|---|---|
| SLN-27-14-0050-100-11-L-S-000 | 20,5 | 28 | 33 | 25 | 83 | variabel | Auf Anfrage | |
| SLN-27-14-0050-150-11-L-S-000 | 20,5 | 28 | 33 | 25 | 83 | variabel | Auf Anfrage | |
| SLN-27-14-0050-200-11-L-S-000 | 20,5 | 28 | 33 | 25 | 83 | variabel | Auf Anfrage | |
| SLN-27-14-0050-250-11-L-S-000 | 20,5 | 28 | 33 | 25 | 83 | variabel | Auf Anfrage | |
| SLN-27-15-0050-100-11-L-S-000 | 20,5 | 28 | 33 | 25 | 83 | variabel | Auf Anfrage | |
| SLN-27-15-0050-150-11-L-S-000 | 20,5 | 28 | 33 | 25 | 83 | variabel | Auf Anfrage | |
| SLN-27-15-0050-200-11-L-S-000 | 20,5 | 28 | 33 | 25 | 83 | variabel | Auf Anfrage | |
| SLN-27-15-0050-250-11-L-S-000 | 20,5 | 28 | 33 | 25 | 83 | variabel | Auf Anfrage |