Bitte wählen Sie Ihren Lieferstandort

Die Auswahl der Länder-/Regionsseite kann verschiedene Faktoren wie Preis, Einkaufsmöglichkeiten und Produktverfügbarkeit beeinflussen.
Mein Ansprechpartner
igus® polymer Innovationen GmbH

Photo-Play-Straße 1

4860 Lenzing

+43 7662 57763
+43 7662 57751
AT(DE)

SHT-12-ZB-AWM-10x12

Zerobacklash-Gewindemutter in Linearachse

Das bewährte SHT-Linearmodul wird nun um eine weitere Komponente, die selbstnachstellende Zero-Backlash-Gewindemutter ergänzt. Für Bewegungen, die Wiederholgenauigkeit erfordern und die über Steilgewinde 10x12 und 10x50 realisiert werden, sorgt die ZB für ein minimales, lebenslanges Umkehrspiel.

Schmiermittel- und wartungsfrei

Hohe, lastunabhängige Präzision

Selbstnachstellend

Leise

Korrosionsfrei


Einsatzgebiete: Labor- und Medizintechnik, allgemeiner Maschinenbau.

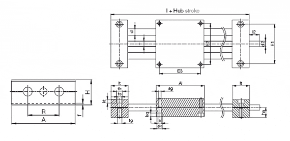
Abmessungen [mm]

Bestellnummer Hublänge Stahlwelle
Gewicht zusätzl.
max. stat. Tragfähigkeit A Al H E1 E2 E3    
    [kg] (pro 100 mm)[kg] axial[N] radial[N] -0,3 -0,3   +0,15 +0,15 +0,15    
Lieferzeit auf Anfrage SHT-08-ZB-AWM-6.35X12.7 (1) 300 0 100 400 65 65 23 52 55 55 Auf Anfrage In den Warenkorb
in 3-4 Werktagen versandfertig SHT-08-ZB-AWM-6X2P1 (1) 300 0 100 400 65 65 23 52 55 55 Auf Anfrage In den Warenkorb
in 10 Werktagen versandfertig SHT-12-ZB-10X12 (1) 500 0,8 0,2 150 600 85 34 70 73 73 Auf Anfrage In den Warenkorb
Mehr zum gewünschten Artikel:
3D-CAD 3D-CAD
Musterbestellung Musterbestellung
PDF PDF
Preisanfrage Preisanfrage
myCatalog myCatalog

(1) auslaufendes Spindelende

Bestellnummer I R f lt tk
±0,1
ts tg kt
±0,1
s sk sg kq d T l2 d2 ha
Lieferzeit auf Anfrage SHT-08-ZB-AWM-6.35X12.7 (1) 96 32 1,5 15,5 10 5,5 M6 7 4,2 8 M5 4,6 8 6,35x12,7 17 6,35 13
in 3-4 Werktagen versandfertig SHT-08-ZB-AWM-6X2P1 (1) 96 32 1,5 15,5 10 5,5 M6 7 4,2 8 M5 4,6 8 TR6x2 17 TR6x2 13
in 10 Werktagen versandfertig SHT-12-ZB-10X12 (1) 2 11 6,6 M8 6,4 6,3 10 M6 6 12 10x12 17 10x12
Mehr zum gewünschten Artikel:
3D-CAD 3D-CAD
Musterbestellung Musterbestellung
PDF PDF
Preisanfrage Preisanfrage
myCatalog myCatalog

(1) auslaufendes Spindelende


in 3-4 Werktagen versandfertig
in 10 Werktagen versandfertig
Lieferzeit auf Anfrage