Bitte wählen Sie Ihren Lieferstandort

Die Auswahl der Länder-/Regionsseite kann verschiedene Faktoren wie Preis, Einkaufsmöglichkeiten und Produktverfügbarkeit beeinflussen.
Mein Ansprechpartner
igus® polymer Innovationen GmbH

Photo-Play-Straße 1

4860 Lenzing

+43 7662 57763
+43 7662 57751
AT(DE)

Technik verbessern und dabei die Kosten um 25% und mehr reduzieren

drylin® SLW Linearmodule… 7 Baugrößen, individuell konfigurierbar, lieferbar in 2-4 Tagen

Gleiten statt rollen! Schmierfrei durch dry-tech® Polymere

igus® SLW Linearmodule bauen auf dem drylin® W Linearbaukasten als auch auf wartungsfreien und selbstschmierenden dry-tech® Hochleistungskunststoffen auf. Durch eine im Lagerwerkstoff inkomprimierte Schmierung sind die Lagerwerkstoffe für den dauerhaften Trockenlauf ausgelegt d.h. über die komplette Lebensdauer wartungsfrei. Einbaufertige Linearmodule sind in 2-4 Tagen lieferbar.

Nutzen Sie die technischen Produktvorteile unserer wartungsfreien drylin® Antriebstechnik.

1.1. Beständig gegen Schmutz, Staub, Feuchtigkeit

Partikel werden durch die Bewegung aus Kontaktfläche geschoben

Detail Funktionsprinzip

Beständig gegen Schmutz, Staub, Feuchtigkeit

Trockenlauf, ohne Schmierung

drylin®-Linearlagersysteme sind für den Trockenlauf ausgelegt. Alle Anwendungen sind damit vor Verschmutzung durch Fett und Öl geschützt. Sogar der Einsatz unter grobem Schmutz und Sand wird ermöglicht.

igus®-getestet

Schmutzunempfindlichkeit

Schmutzpartikel werden durch die Bewegung selbst aus der Kontaktfläche weggeschoben. Ähnlich einem Abstreifer wirkt hier die Stirnseite der Gleiter. Die Kontaktfläche selbst bleibt sauber.

Anwendungsbeispiel

Windelproduktionsanlage

In den Anlagen werden Superabsorber und Zellstoff verarbeitet, die für einen relativ hohen Schmutz- und Staubanfall sorgen. Superabsorber verhält sich darüber hinaus ähnlich wie Sand, so dass Verschmutzungen durch Reibeffekte auftreten.

1.2. Geräuscharm

Detail Funktionsprinzip

Leise und laufruhig

Leise

Auch die Laufruhe ist durch das Funktionsprinzip "Gleiten statt Rollen" deutlich leiser. Kein mechanisches Abrollen harter Gleitpartner, kein Aufeinanderprallen der Kugeln verursacht laute Laufgeräusche.

igus®-getestet

Geräuscharm

Die Gleitbewegung ist äußerst leise und nur von einem leisen Gleitgeräusch begleitet.

Anwendungsbeispiel

Bahnkantenerfassung

Formatverstellung der Sensoren zur Bahnkantenerfassung und Druckmarkenerkennung durch drylin® SLW Lineartischlösung mit Positionanzeiger und Handrad (komfortable und reproduzierbare Positionierung von außen)

1.3. Sauber und hygienisch

Detail Funktionsprinzip

Leise und laufruhig

Sauber und hygienisch

Nicht nur im Schmutz ist der Trockenlauf der iglidur® Gleitlager von Vorteil, auch in Anwendungen mit hohem Anspruch an Hygiene und Reinheit ist der Verzicht auf Schmierung ein wichtiges Kriterium

Getestet

Reinraumtauglich

Die getesteten drylin®-Führungen weisen eine eindeutige Eignung für Reinräume auf. Folgende drylin®-Führungen von igus® wurden untersucht: N40, W10, T25 und T30.

Anwendungsbeispiel

Codiergerät

Der drylin® Spindel-Lineartisch mit Positionsanzeiger und Handrad findet aufgrund seiner Schmiermittelfreiheit seinen Einsatz in einem Codiergerät zur Kennzeichnung von Käse.

1.4. Korrosionsfrei

Detail Funktionsprinzip

Korrosionsverhalten

Korrosionsfrei und medienbeständig

Korrosionsfrei sind alle iglidur® Kunststoffgleitlager "von Hause aus". Zudem gibt es Spezialisten, die durch hohe Medienbeständigkeit gegen Laugen, Säuren, Reinigungsmittel etc. auch unter widrigsten Bedingungen einsetzbar sind. - Spezialisten für den dauerhaften Unterwasser-Einsatz finden sich ebenfalls im Programm.

igus®-getestet

Korrosionsfrei und medienbeständig

Korrosionsfreie Einheit

Die Beständigkeit von Linearlagersystemen ist im gleichen Maße abhängig vom Gegenlaufpartner. Der igus® Baukasten kann als komplett korrosionsfreie Einheit aus Edelstahl geliefert werden.

Anwendungsbeispiel

Inspektionssysteme

drylin® SLW oder SHT Spindel-Lineartisch für die Höhenverstellung von Kameras oder Sensoren.

2. Gleitlagerwerkstoffe

Materialien für alle Wellenmaterialien, beste Verschleißwerte

Detail Funktionsprinzip

Verschleissarm - Gleitlagerfolien aus Hochleistungspolymeren

Hochleistungspolymere

SLW Linearmodule können je nach Anforderung hinsichtlich des Gleitlagerwerkstoffes konfiguriert und geliefert werden. Standardmäßig werden SLW Systeme mit Lagern aus dem verschleißfestem Material iglidur® J/J200 konfiguriert. Für Anwendungen die eine extreme Chemikalienbeständigkeit erfordern bieten Lager und Gewindemutter aus dem Material iglidur® X in Kombination mit Edelstahl die beste Option. Das FDA konforme Material iglidur® A180 eignet sich insbesondere für Anwendungen im Lebensmittel/Pharma Bereich.

igus®-getestet

Gleitfolienmaterial

iglidur® J

der Standard

beste Reibwerte

gute Verschleißfestigkeit

sehr geringe Feuchtigkeitsaufnahme


iglidur® J200

optimal mit Aluminium

geringe Reibwerte

exzellente Verschleißwerte mit anodisiertem Aluminium


iglidur® A180

FDA-Konformität

für direkten Umfeld (oder Kontakt) mit Lebens- oder Arzneimitteln

geringe Feuchtigkeitsaufnahme


iglidur® X

hohe Temperaturen von -100 bis 250 °C

universelle Chemikalienbeständigkeit

hohe Druckfestigkeit

igus®-getestet

Ausgiebige Labortests und jahrelange Praxiserfahrung haben gezeigt, dass iglidur® J, J200, X und A180 aufgrund Ihrer Verschleiß- und Reibwerteigenschaften die optionalen Werkstoffe für die meisten Linearanwendungen sind.

3. Auswahl des optimalen Gehäuselagerwerkstoffes

Verschiedene Gehäuselagerwerkstoffe zur Auswahl

Zinkdruckguß: kostengünstiges Standardlager

Aluminium: geringeres Teilegewicht

Edelstahl: korrosionsbeständig sowie für hohe Temperaturen

Turn-to-fit Mechanismus: Manuelle Spieleinstellung durch „Turn-to-Fit“ Funktion


4. Gewindeauswahl

Gewindearten

Verschleissarm - Gleitlagerfolien aus Hochleistungspolymeren

Trapezgewinde

SLW Linearmodule werden standardmäßig mit eingängigen Trapezgewindespindeln konfiguriert und sind selbsthemmend. Das bedeutet, dass aufgrund des Flankenwinkels und der Gleitreibung eine Bewegung von Mutter und Spindel ohne äußere Krafteinflusse nicht erfolgt. Der Schlitten verbleibt in der gewählten Position. Als Gegenlaufpartner zu den schmierfreien drylin® Trapezgewindemuttern sind die Spindeln in Stahl C15, korrosionsbeständigem VA (1.4301/1.4305) sowie beschichtetem Aluminium verfügbar.

Gewindearten

Steilgewinde

Für schnelle Verstell- und Positionieraufgaben können drylin® Linearmodule mit Steilgewindespindeln montiert werden. Steilgewindespindel sind aus korrosionsbeständigem Edelstahl (1.4021) gefertigt und weisen keine Selbsthemmung auf. Sie eignen sich hierdurch für Anwendungen bei der Linearschlitten auf Wunsch schnell manuell verschoben werden.

Anwendungsbeispiel

Formatverstellung

Anwendung in der Glasindustrie. Formatverstellung an Förderband zur Vereinzelung von Flaschen.

5. drylin® W Schienenprofile

... Aluminium hartanodisiert
... Edelstahl (Größe 1040 & 2080)

Detail Funktionsprinzip

Verschleissarm - Gleitlagerfolien aus Hochleistungspolymeren

Beste Laufeigenschaften

Linearmodule der Baureihen SLW, SAW und ZLW basieren auf dem schmierfreien drylin® Linearbaukasten. Die äußerst verwindungssteifen Aluminiumprofile werden im Strangpressverfahren hergestellt. Die Oberfläche ist hartanodisiert und zeichnet sich durch gute Verschleißeigenschaften, hohe chemische Beständigkeit und Härtegrad aus. Als Gegenlaufpartner unserer dry-tech® Hochleistungspolymere gewährleisten sie beste Laufeigenschaften, berechenbar und langlebig.

Anwendungsbeispiel

Korrosionsbeständig

In Umgebungen die eine äußerste Korrosionsbeständigkeit erfordern, stehen SLW Module aus Edelstahl basierend auf Führungswellen aus dem Material V4A (1.4571) zur Verfügung.

igus® Auswahlhilfen

Produktfinder Antriebstechnik

Schnell und einfach Lineareinheiten online vergleichen, auslegen und konfigurieren.



Experte & Lebensdauerberechnung. So einfach war die drylin®-Linearlager-Auswahl noch nie.

6. 7 Baugrößen 7 Schlittenbreiten

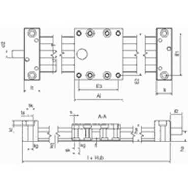
SLW Linearmodule sind in 7 Baugrößen verfügbar. Von Baugröße 06 -25 bietet Ihnen die SLW Baureihe das für Ihre Anforderungen gewünschte Linearmodul in der passenden Baugröße.

Doppelschiene eckig

Baugröße 30: 54 mm

Doppelschiene rund

Baugröße 1040: 73 mm
Baugröße 1080: 107 mm
Baugröße 1660: 104 mm
Baugröße 2080: 153 mm
Baugröße 25120: 195 mm

7. Auswahl der optimalen Schlittenlänge

SLW Linearmodule können mit Schlitten in verschiedenen Längen für das beste Abstützungsmoment montiert werden. Eine Mehrschlittenlösung ist bei allen Baugrößen möglich.
Baugröße 06: 60/80/100
Baugröße 1040: 69/100/150
Baugröße 1080: 100/150/200
Baugröße 10120: 100/150/200
Baugröße 1660: 100/150/200
Baugröße 2080: 150/200/250
Baugröße 25120: 150/200/250

8. Verschiedene Hublängen

Detail Funktionsprinzip

Verschiedene Schienen lieferbar

Millimetergenau konfiguriert

SLW Linearmodule können millimetergenau konfiguriert werden und passen sich hierduch den Kundenanforderungen ideal an.

Detail Funktionsprinzip

Maximale Hublängen

Die maximale Hublängen sind baugrößenabhängig.

Baugröße 0630: 300 mm
Baugröße 1040: 750 mm
Baugröße 1080: 750 mm
Baugröße 1660: 750 mm
Baugröße 2080: 1000 mm
Baugröße 25120: 1250 mm

Detail Funktionsprinzip

Ruhige Spindel für Hübe >750 mm

Durch diese mit dem Führungswagen mitfahrenden Spindelunterstützungen, die sich selbstständig an verschiedenen Stellen entlang des Hubweges positionieren, kann der Anwender nun problemlos lange Hubwege >750 mm realisieren.

9. Schienendurchmesser

Doppelschiene eckig

Baugröße: 06 mm

Doppelschiene rund

Baugröße: 10mm, 16 mm, 20 mm, 25 mm

11. Zubehör / Optionen

Zubehör für die Verstellung

Zahlreiches Zubehör

Manuelle Verstellung

Um manuelle Verstellungen schnell und komfortable zu gestalten sind für drylin® SLW Linearmodule umfangreiches Zubehör verfügbar. Bei direkter Konfiguration mit der Lineareinheit erfolgt die Lieferung komplett montiert.
Positionsanzeige

Spindelklemmung

Handrad

Winkeltrieb

Zubehör für die Verstellung

Motorische Verstellung

Linearmodule der SLW Baureihe können einbaufertig mit drylin® E Schritt- oder Gleichstrommotoren konfiguriert und geliefert werden. Verfügbar ist zudem ein großes Zubehörprogramm von Motorkits, chainflex Motorleitungen, Initiatoren, Getriebe oder Adapterplatten für Portalaufbauten.

Anwendungsbeispiel

drylin® E - "E" wie elektrisch

Die konsequente Weiterführung des Baukasten und Systemgedankens der schmierfreien drylin® Lineartechnik

Schnell und einfach geeignete Lineartische und Motoren online vergleichen, auslegen und konfigurieren.

Weitere Informationen:


Musterbestellung